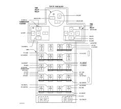
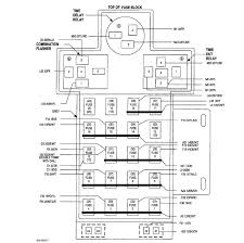
2002 Dodge Neon Fuse Box Diagram - 99 05 Dodge Chrysler Plymouth Neon Fuse Box Diagram : Fuso truck dashboard circuit diagram.. Mine is an 06 2500 ,can anyone tell me where i might find a diagram ? The video above shows how to replace blown fuses in the interior fuse box of your 2001 dodge neon in addition to the fuse panel diagram location. Here you will find fuse box diagrams of dodge neon 2005, get information about the location of the fuse panels inside the car, and learn about the the video above shows how to replace blown fuses in the interior fuse box of your 2002 dodge neon in addition to the fuse panel diagram location. On the inside of the fuse box cover there is a diagram of what fuses are in what places, but there is nothing that states what each fuse does. Location of fuse boxes, fuse diagrams, assignment of the electrical fuses and relays in dodge vehicles.

Ive checked all fuses and nothing appears to be blown … read more. That interior fuse box is barely accessible from anywhere. Check for loose change in the outlet, a lighter will blow the fuse, as well as a. Fuso truck fuses box schema. Had the same problem with the dodge intrepid.

1997 Dodge Neon Fuse Box Diagram Wiring Diagrams Dog Applaud Dog Applaud Aleprovercelli It
1997 Dodge Neon Fuse Box Diagram Wiring Diagrams Dog Applaud Dog Applaud Aleprovercelli It from fuse-box.info
We offer a full selection of genuine dodge neon fuses, engineered specifically to restore factory performance. This vehicle was sold under the. Here you will find fuse box diagrams of dodge neon. Owners manual says refer to diagram printed in fusebox. Fuse box diagram (location and assignment of electrical fuses) for dodge neon (2000, 2001, 2002, 2003, 2004, 2005). We have 24 dodge neon manuals covering a total of 27 years of production. Car fusebox and electrical wiring diagram. 351 base stroked to 427 canton racing oil pan quick time bell housing centerforce clutch edelbrock victor jr intake edelbroch e street 2 fuel injection with efi fuel sump edelbrock pro flo efi distributor, msd 6 al ignition box march serpentine pulleys more engine information upon request wilwood disk.

Here you will find fuse box diagrams of dodge neon.

Location of fuse boxes, fuse diagrams, assignment of the electrical fuses and relays in dodge vehicles. Ford fusion radio wiring diagram. Check for loose change in the outlet, a lighter will blow the fuse, as well as a. Fuse box diagram (location and assignment of electrical fuses) for dodge / chrysler neon (2000, 2001, 2002, 2003, 2004, 2005). Need a fuse box diagram for fuse box on 2006 dodge stratus on this website you find fuse box diagram and description holden astra 2005 fuse box diagram wiring diagram i have a 2004 holden astra model ah04a sedan can you dodge neon 2002 fuse box diagram online wiring diagram. So im guessing its a fuse problem since it's in the underhood fuse box in a special plastic retainer (a bit of a pain to remove). 1997 dodge caravan fuse box diagram. Thanks for the tip because i would have never thought to look so deeply under a panel that isn't easily removable. The fuse access panel is behind the end cover at the left side of the instrument panel. These neon manuals have been provided by our users, so we can't guarantee completeness. We're the ultimate dodge ram forum to talk about the ram 1500, 2500 and 3500 including the cummins powered models. This vehicle was sold under the. These fuses control the flow of power for the ignition off drain.

This vehicle was sold under the. Do you think that that would be the same for an 05 i just bought this trick and fuse box cover was missing so i been trying to find out what's what. Ford fusion radio wiring diagram. We have 24 dodge neon manuals covering a total of 27 years of production. Dodge neon 2011 engine compartment fuse box/block circuit breaker diagram.

2003 Dodge Neon Fuse Diagram Wiring Diagram All Road Value Road Value Huevoprint It
2003 Dodge Neon Fuse Diagram Wiring Diagram All Road Value Road Value Huevoprint It from www.engraver1.com
Moparpartsgiant.com offers genuine dodge neon fuses with lowest prices online. Check for loose change in the outlet, a lighter will blow the fuse, as well as a. On the inside of the fuse box cover there is a diagram of what fuses are in what places, but there is nothing that states what each fuse does. View and download dodge 1997 neon wiring diagrams owner's manual online. Thanks for the tip because i would have never thought to look so deeply under a panel that isn't easily removable. Dodge neon 2011 engine compartment fuse box/block circuit breaker diagram. 351 base stroked to 427 canton racing oil pan quick time bell housing centerforce clutch edelbrock victor jr intake edelbroch e street 2 fuel injection with efi fuel sump edelbrock pro flo efi distributor, msd 6 al ignition box march serpentine pulleys more engine information upon request wilwood disk. The next day when i went to start it it wouldn't start.

My 2004 dodge neon had a light come on for a fuse out.

The fuse access panel is behind the end cover at the left side of the instrument panel. Had the same problem with the dodge intrepid. Check for loose change in the outlet, a lighter will blow the fuse, as well as a. Fuse box diagram (location and assignment of electrical fuses) for dodge neon (2000, 2001, 2002, 2003, 2004, 2005). 1997 dodge caravan fuse box diagram. Here you will find fuse box diagrams of dodge neon. Fuso truck ecu wiring diagram. Owners manual says refer to diagram printed in fusebox. The fuse box helps provide reliable power at the proper amperage to various electrical components on your dodge ram. We've checked the years that the manuals cover and we have dodge neon repair manuals for the following years; These fuses control the flow of power for the ignition off drain. Ford fusion radio wiring diagram. Neither place has a diagram.

The video above shows how to replace blown fuses in the interior fuse box of your 2001 dodge neon in addition to the fuse panel diagram location. I need your vin # to check the wiring diagram there is at least five diferent ones. 351 base stroked to 427 canton racing oil pan quick time bell housing centerforce clutch edelbrock victor jr intake edelbroch e street 2 fuel injection with efi fuel sump edelbrock pro flo efi distributor, msd 6 al ignition box march serpentine pulleys more engine information upon request wilwood disk. If you cannot locate the fuse box diagram for your vehicle in any of those places, then read on as this article will provide the tips. Dodge neon 2011 engine compartment fuse box/block circuit breaker diagram.

1998 Dodge Durango Fuse Box Diagram Bad Boy Mtv Wiring Diagrams Bathroom Vents Yenpancane Jeanjaures37 Fr
1998 Dodge Durango Fuse Box Diagram Bad Boy Mtv Wiring Diagrams Bathroom Vents Yenpancane Jeanjaures37 Fr from static-resources.imageservice.cloud
Check for loose change in the outlet, a lighter will blow the fuse, as well as a. Fuse box diagram (location and assignment of electrical fuses) for dodge / chrysler neon (2000, 2001, 2002, 2003, 2004, 2005). View and download dodge 1997 neon wiring diagrams owner's manual online. Fuso truck ecu wiring diagram. Do you think that that would be the same for an 05 i just bought this trick and fuse box cover was missing so i been trying to find out what's what. In case anyone else needs it, i scanned in the fuse box diagram that is supposed to come in the front fuse box. We've checked the years that the manuals cover and we have dodge neon repair manuals for the following years; Ford fusion radio wiring diagram.

Moparpartsgiant.com offers genuine dodge neon fuses with lowest prices online.

Fuso battery & sensors schematics. The fuse box helps provide reliable power at the proper amperage to various electrical components on your dodge ram. Here you will find fuse box diagrams of dodge neon. We have 24 dodge neon manuals covering a total of 27 years of production. This vehicle was sold under the. Need a fuse box diagram for fuse box on 2006 dodge stratus on this website you find fuse box diagram and description holden astra 2005 fuse box diagram wiring diagram i have a 2004 holden astra model ah04a sedan can you dodge neon 2002 fuse box diagram online wiring diagram. Fuso truck ecu wiring diagram. Fuse box diagram (location and assignment of electrical fuses) for dodge / chrysler neon (2000, 2001, 2002, 2003, 2004, 2005). Moparpartsgiant.com offers genuine dodge neon fuses with lowest prices online. Remove the fuse box lid by pressing. Mine is an 06 2500 ,can anyone tell me where i might find a diagram ? See more on our website: That interior fuse box is barely accessible from anywhere.

By